奥普特SCI-M3智能相机荣获智能检测奖
リリース時間:2019-08-16
ソース:
ページビュー:
2019年3月1日,第15届中国自动化及智能制造服务年会(简称CAIMRS)在北京万达文华酒店举行。在本届CAIMRS的“第十七届自动化及智能化年度评选颁奖晚宴”环节中,奥普特旗下的SCI-M3智能相机,荣获自动化创新奖之“智能检测奖”。
CAIMRS即China Automation & Intelligence Market Research Seminar,由工控网主办,并得到工信部电子情报所科技成果评价中心的大力支持。自动化及智能化年度评选与CAIMRS同期举办,汇聚自动化行业翘楚,盘点自动化行业市场趋势,在业内有着积极、广泛的影响力。
OPT旗下SCI-M3智能相机,采用高性能CPU,集多功能于一体,同时机身小巧,使用便捷,支持光源控制。此次获得自动化创新奖的“智能检测奖”,SCI-M3实至名归。
SCI-M3是一款基于x86的工业智能相机,采用第六代Intel® Atom™ 2.4GHz/Intel® Pentium™ 2.5GHz四核处理器,搭配200万像素164fps带全局曝光的图像传感器,将高性能图像传感器、FPGA及PC集成一体,实现图像数据的采集及处理工作。
SCI-M3采集到的图像数据先通过FPGA进行图像优化预处理,之后经过PCIex4 Gen2高速串行接口将图像数据传送到PC端。PC在上位机中将接收到的图像数据进行图像算法处理,通过CPU计算及GPU的加速,可以实现各种工业场景的视觉应用。同时,此相机兼容SciSmart智能视觉软件,并提供灵活的软件支持。
SCI-M3智能相机核心技术
1、相机PC一体式设计
2、PCIex4 Gen2高速数据流传输
3、带有FPGA协处理器,加速图像预处理运算
4、GPU图像算法加速处理
5、兼容SciSmart智能视觉软件
SCI-M3智能相机产品特点
1、全铝合金外壳设计,强度高,散热性能好
2、高性能多核处理器
3、高效可靠eMMC
4、多功能一体化智能相机,所需安装空间精小
5、支持光源控制

图1 颁奖现场
CAIMRS即China Automation & Intelligence Market Research Seminar,由工控网主办,并得到工信部电子情报所科技成果评价中心的大力支持。自动化及智能化年度评选与CAIMRS同期举办,汇聚自动化行业翘楚,盘点自动化行业市场趋势,在业内有着积极、广泛的影响力。
OPT旗下SCI-M3智能相机,采用高性能CPU,集多功能于一体,同时机身小巧,使用便捷,支持光源控制。此次获得自动化创新奖的“智能检测奖”,SCI-M3实至名归。

图2 奥普特SCI-M3智能相机荣获“智能检测奖”
奥普特SCI-M3智能相机简介

图3 SCI-M3智能相机
SCI-M3是一款基于x86的工业智能相机,采用第六代Intel® Atom™ 2.4GHz/Intel® Pentium™ 2.5GHz四核处理器,搭配200万像素164fps带全局曝光的图像传感器,将高性能图像传感器、FPGA及PC集成一体,实现图像数据的采集及处理工作。
SCI-M3采集到的图像数据先通过FPGA进行图像优化预处理,之后经过PCIex4 Gen2高速串行接口将图像数据传送到PC端。PC在上位机中将接收到的图像数据进行图像算法处理,通过CPU计算及GPU的加速,可以实现各种工业场景的视觉应用。同时,此相机兼容SciSmart智能视觉软件,并提供灵活的软件支持。
SCI-M3智能相机核心技术
1、相机PC一体式设计
2、PCIex4 Gen2高速数据流传输
3、带有FPGA协处理器,加速图像预处理运算
4、GPU图像算法加速处理
5、兼容SciSmart智能视觉软件

图4 面板说明

表1 参数
SCI-M3智能相机产品特点
1、全铝合金外壳设计,强度高,散热性能好
2、高性能多核处理器
3、高效可靠eMMC
4、多功能一体化智能相机,所需安装空间精小
5、支持光源控制

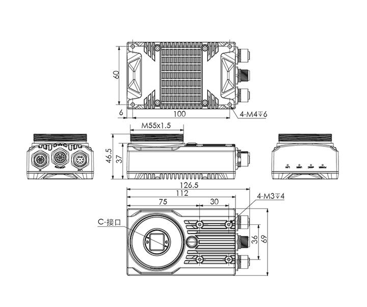
图5 尺寸图